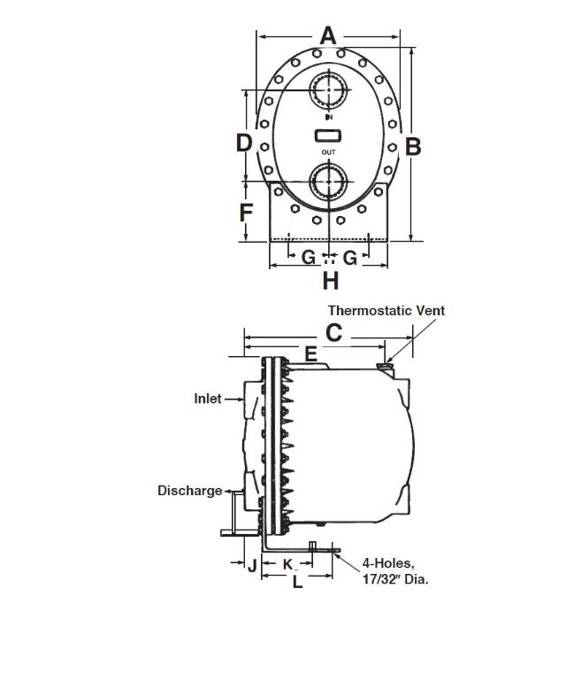
FT075C F&T Trap 2.5 IN. C Pattern

401878
Brand
Hoffman
Contact JMP team for pricing
In stock In stock
Few in stock Few in stock
Factory Order Factory Order

Description

FT075C F&T Trap 2.5 IN. C Pattern

Specs

Connection Type Flanged
By clicking 'Accept All' you consent that we may collect information about you for various purposes, including: Statistics and Marketing