B0080S-3 3/4" 80# BUCKET TRAP W/STRAINER

404193
Brand
Hoffman
Contact JMP team for pricing
In stock In stock
Few in stock Few in stock
Factory Order Factory Order

Description

404193 B0080S-3 3/4" 80# BUCKET TRAP W/STRAINER

Specs

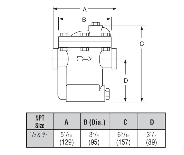
Connection Size 0.75"
Connection Type Threaded
Working Pressure - MAX 250 PSI
By clicking 'Accept All' you consent that we may collect information about you for various purposes, including: Statistics and Marketing